通過應用單片機,電機控制取得了積極效果,不但有效控制了電機的啟停,同時還對電機的運行過程進行了有效的干預,使電機控制能夠達到預期目的,提高電機運行效果。
盡管各地的電動汽車充電站數量不斷增加,但電動汽車的普及正在給現有基礎設施帶來壓力。即使許多公司正在建設自己的充電站,但在部署過程中仍面臨挑戰。特別是1級充電器充電速度慢,考慮到駕駛員的續航焦慮,這不是...
激光器可以在任何能夠在適當能級之間實現“粒子數反轉”的設備中實現。典型的設備是光學腔,但半導體也不應被排除在外。
電壓轉換器是許多技術系統的支柱。根據應用需求,所需的電源單元通過變壓器、整流器AC/DC轉換器實現。在高效開關電源尚未普及之前
低成本FPGA行業的重要參與者,最近發布了MachXO5D-NX系列。這一中檔系列將低成本、低功耗與廣泛的外圍設備和安全功能相結合,使其適用于安全邊緣設備。
電動車(EV)車主已經擁有一輛零排放汽車或想要從內燃機車升級,他們的需求變得更多。
SmartSiC是一種基于新范式的工程基板,它在一個基板上結合了高質量的單晶SiC頂層和高度電導的聚晶SiC支撐晶片,從而在器件性能和可靠性方面實現了前所未有的提升
功率半導體和芯片是電子工程中的兩個不同概念,它們在功能、應用和結構上都有所區別,這篇文章將為大家詳細講解功率半導體和芯片的區別。
由于單片機廣泛應用于工業控制、智能家居、汽車電子等領域,這些環境復雜多變,干擾源眾多,因此提高單片機系統的抗干擾能力顯得尤為重要。
寬帶隙半導體材料如碳化硅(SiC)和氮化鎵(GaN)因其卓越的性能逐漸成為行業焦點。這些材料不僅在高溫、高頻及高功率環境下表現出色,還在能源效率和系統小型化方面展現出巨大潛力。本文將深入探討SiC和G...
高性能、可擴展的電動汽車模塊及其他碳化硅(SiC)半導體在電動汽車動力系統中提供了顯著的效率提升。它們推動了電動汽車和電動巴士等電動出行應用
傳統保險絲的精度和響應時間可能不足以保護用于車載充電器的SiC和GaN基功率半導體設備免受浪涌電流(如微秒級短路)的影響。
這些柵極驅動器設計用于安裝在標準IGBT功率模塊的頂部,并適應模塊的機械尺寸,節省空間并簡化機械設計。
本文將深入探討芯片如何處理數字信號,并介紹其在不同領域的應用,幫助讀者更好地理解這一關鍵技術。
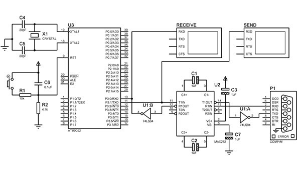
在現代電子設備中,單片機扮演著核心的角色,而串口通信則是單片機與外部設備進行數據交換的重要手段。本文將深入探討單片機串口通信的原理
MOSFET 是 Metal-oxide-semiconductor Field-effect Transistor 的縮寫,中文稱為“金屬-氧化物-半導體場效應晶體管”。這是一種在現代電子設備中極為...
在微控制器(MCU)的設計與應用中,首次上電初始化是一個至關重要的階段。這一過程不僅涉及到系統啟動的穩定性,還直接關系到I/O(輸入/輸出)端口的狀態管理。
電源模塊作為單片機穩定運行的基礎,其設計和配置至關重要。然而,在眾多電源模塊的設計討論中,上電時序這一關鍵因素卻鮮少被提及。本文將探討為何上電時序在單片機電源模塊中被忽視,并闡述其重要性。