硅碳化物(SiC)作為一種新興的半導體材料,憑借其高耐壓、高溫和高頻率特性,正在逐漸取代傳統的硅基功率器件,為電力電子領域帶來了革命性的變革
功率半導體器件作為控制和轉換電能的核心元件,它們廣泛應用于電源管理、汽車電子、工業控制和可再生能源等領域。本文將深入探討功率半導體器件的種類、工作原理及其未來的發展趨勢。
電源管理芯片是一種集成電路,主要用于管理電子設備的電源供應。它能夠對輸入電源進行有效的調節和分配,以確保各個組件在其規定的電壓和電流下正常運行。
IGBT(絕緣柵雙極晶體管)功率模塊因其出色的開關特性和高效率而廣泛應用于各種工業和民用設備中。日立(Hitachi)作為全球知名的電氣與電子產品制造商,其IGBT功率模塊在市場上受到廣泛關注。
IGBT(絕緣柵雙極晶體管)功率模塊以其高效率和良好的開關特性,被廣泛應用于變頻器、電機控制和電源轉換等領域。尤其是高耐壓IGBT功率模塊,能夠承受更高的電壓和電流,適用于更為嚴苛的工作環境。
如今的現代汽車配備了比以往更多的半導體,包括作為人類感官延伸的多模態傳感器。多模態傳感用于檢測車輛環境、識別潛在風險、觸發警報甚至啟動制動和轉向干預
雖然SiC組件固有地比硅IGBT更昂貴,但關鍵是系統成本,對于2kV SiC解決方案而言更低。假設12個MPPT,每個MPPT控制40A的面板輸入電流。假設具有3個MPPT的IGBT基PIM NXI-...
隔離電流傳感器技術在車輛設計中變得越來越重要。電流感應已經是汽車設計的一個關鍵部分,從簡單的基于電阻的測量到更先進的傳感器,用于分析燃油噴射系統的行為。
屏幕驅動芯片,顧名思義,是用來驅動屏幕顯示的芯片。它的主要功能是將圖像數據轉換為電信號,控制屏幕上的每一個像素點顯示相應的顏色和亮度。屏幕驅動芯片廣泛應用于各種電子設備中,如智能手機、平板電腦、筆記本...
串行接口是一種按照順序逐位傳輸數據的通信技術。在這種傳輸方式中,數據以單一的線路傳送,每次傳輸一個比特。常見的串行接口包括USB、RS-232、I2C和SPI等。
電源模塊是一種開關調節器,它將高端和低端柵極驅動器、金屬氧化物半導體場效應晶體管 (MOSFET)、電感器或變壓器以及多個無源元件集成到一個封裝中。
SiC 器件完全有能力應對上述所有市場挑戰。正如我們在過去幾年中看到的每一代新硅功率器件一樣,新的寬帶隙技術不僅僅是向前邁出的一步,而且有能力成為真正的游戲規則改變者。
寬帶隙材料是指具有較大能帶間隙的半導體材料。常見的WBG材料包括碳化硅(SiC)、氮化鎵(GaN)和金剛石等。與傳統的硅(Si)材料相比,WBG材料在高溫、高頻和高功率應用中表現出色,因而備受關注。
熱泵是一種經過驗證的、高效且環保的供暖方式。它是全球可持續供暖趨勢的驅動力,并且使用的是低排放電力。在評估熱泵與傳統鍋爐和低排放氫氣等其他可再生和傳統建筑系統相比時,能源效率是一個關鍵因素。
在設計可以在幾分鐘內為電動汽車充電的先進超級電容器中,控制高效的離子流動至關重要。科羅拉多大學(CU)博爾德分校的研究人員重新構想了早已確立的基爾霍夫電路定律
WeaveGrid 和 Emporia Energy 合作,讓更多人能夠使用智能電動汽車充電。他們的目標是將電動汽車充電管理計劃擴展到電動汽車充電器所有者,以更好地管理他們的能源使用。
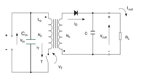
交流(AC)或電源適配器(或稱充電器)將墻壁插座中的交流電(AC)轉換為便攜式電子設備中的直流電(DC)。由于適配器是任何旅行者行李箱中常見的設備,因此它們應盡可能小且輕。
在現代電子產品中,觸摸技術已成為一種不可或缺的交互方式。無論是智能手機、平板電腦,還是智能家居設備,觸摸芯片都扮演著關鍵角色。那么,常用的觸摸芯片有哪些呢?