在最近的PowerUP和Fortronic會議及展覽上,英飛凌科技公司展示了基于氮化鎵的雙向開關(BDS),闡述了它們如何改善電源轉換系統的設計,最終實現單級電源轉換拓撲。
液晶顯示屏驅動芯片不僅決定了顯示效果的優劣,還在很大程度上影響著設備的性能和用戶體驗。本文將深入探討液晶顯示屏驅動芯片的工作原理、分類、應用領域,以及未來的發展趨勢。
32位單片機以其強大的性能、豐富的功能和廣泛的應用領域,成為了嵌入式系統中的重要組成部分。它們廣泛應用于家居自動化、工業控制、醫療設備、智能家居等多個領域
正確選型半導體功率器件,對于提高系統性能、降低能耗和提高可靠性至關重要。
電源管理是電子設備設計中的一個重要方面,尤其在當前對能效和電池壽命要求日益提高的背景下,電源芯片的控制方式顯得尤為關鍵。
MOSFET根據其工作原理和結構的不同可以分為兩大類:耗盡型MOSFET(Depletion-Type MOSFET)和增強型MOSFET(Enhancement-Type MOSFET)
場效應晶體管(FET)在設計為400V-500V母線電壓的逆變器中具有吸引力,相比于硅絕緣柵雙極晶體管(IGBT)或寬禁帶(WBG)替代品,它們提供了更優的導通損耗和開關損耗。
8 位微控制器( MCU) 實現可以提供必要的構建塊來創建支持通信、定制和智能控制的解決方案。
SiC MOSFET 基本上可以在 Si MOSFET 或 IGBT 的電壓水平下工作,但不能以其最佳參數工作。理想情況下,SiC MOSFET 的柵極電壓為 20V,以便以最小 RDSon 導通。
集成功率模塊(IPM,Intelligent Power Module)作為一種新型的功率器件,因其高效、可靠及集成化程度高而被廣泛應用于電動機驅動、逆變器和各類電源轉換器等領域。那么,如何正確選取適...
兩種常見的功率半導體器件是絕緣柵雙極型晶體管(IGBT)和金屬氧化物半導體場效應晶體管(MOSFET)。盡管它們在某些應用中可以互換使用,但它們的工作原理、特性和適用場合卻大相徑庭。本文將深入探討IG...
在電子工程和嵌入式系統設計中,8位單片機(Microcontroller)是一種廣泛應用的微控制器。其核心功能在于控制和處理數據,而晶振頻率則是影響其性能和應用的關鍵參數之一。本文將詳細探討8位單片機...
SiC功率器件的性能不僅取決于其材料特性和結構設計,還與其封裝技術密切相關。因此,封裝測試在SiC功率器件的開發與應用中顯得尤為重要。
方便、靈活且堅固的USB電源可以超越傳統的PC和移動應用,滿足比以往USB版本更多的高功率設備需求。
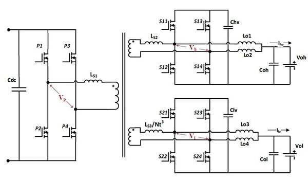
車載充電器(OBC)和輔助電源模塊(APM)是電動汽車中兩種主要的電力電子組件。OBC作為電網與高壓(HV)驅動電池之間的中介,它將高壓直流總線電壓降至低壓(LV)總線
碳化硅(SiC)是一種寬禁帶半導體材料,因其卓越的物理和化學性能而在現代電子技術中越來越受到重視。與傳統硅(Si)材料相比,碳化硅在高溫、高電壓和高頻應用中展現出顯著的優勢
在當今數字化迅速發展的時代,觸控技術已經成為人機交互的重要方式。觸控芯片作為這一技術的核心組件,其市場也在不斷擴大。
在現代嵌入式系統的設計與開發中,單片機(Microcontroller,MCU)扮演著至關重要的角色。隨著科技的進步,32位單片機因其強大的性能和豐富的功能,逐漸成為設計師和工程師的首選。